Schiavi Impianto Volley Trasportabile in alluminio - art. 2705
Schiavi Impianto Volley Trasportabile in alluminio - art. 2705 ...è stato ordinato al fornitore e verrà spedito non appena sarà di nuovo disponibile.
Non è stato possibile caricare la disponibilità per il ritiro
venduto singolarmente
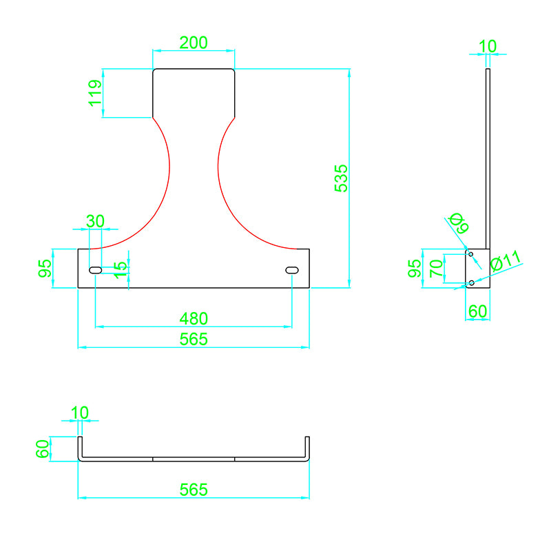
Montante in profilo di alluminio certificato “sistema qualità” secondo normativa DIN EN 9002 rilasciata da TUV CERT, a sezione ovale mm 120x100 con nervature interne di rinforzo, tiranti rigidi posteriori e base in acciaio da mm. 10, taglio laser, verniciata epoxi, ruote per trasporto, reggirete scorrevole regolabile in altezza, tendirete a cremagliera con chiave a cricco asportabile, senza rete e senza protezioni. Base cm 56,5x53,5 fori ad asola per fissaggio a pavimento cm 45/50. Fissaggio a pavimento mediante tasselli (vedi ART. TASSELLO-03) (tasselli e tirafondi non forniti). A norma UNI EN 1271




